ЕЛЕКТРОПЛАЗМОЛІЗ (грец. elektron — бурштин + plasma — виліплене, оформлене + lysis — розкладання, розпад) — обробка сировини струмом низької і високої частоти, в результаті чого відбувається плазмоліз протоплазми. Е. — перспективний та ефективний метод при одержанні препаратів зі свіжої рослинної і тваринної сировини. Сутність методу полягає у впливі струму, що руйнує білково-ліпоїдні мембрани рослинних тканин зі збереженням цілісності клітинних оболонок. Одержані витяжки збагачені діючими речовинами і містять лише невелику кількість супутніх речовин.
Е. виконують у спеціальних пристроях — електроплазмолізаторах, забезпечених рухомими й нерухомими електродами. Електроплазмолізатор із рухомими електродами (вальцями) має два горизонтальних електроди, що обертаються назустріч один одному, до яких підводиться електричний струм напругою 220 В. Свіжа сировина з бункера надходить у щілину між вальцями, сік збирається в приймач. Вихід соку збільшується на 20–25% порівняно з використанням традиційних методів.

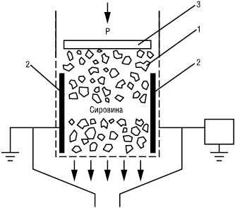
Рисунок. Електроплазмолізатор
Електроплазмолізатор імпульсний (рисунок) з нерухомими електродами (2) являє собою камеру з перфорованим дном і рухомою кришкою (3), яка, опускаючись, віджимає лікарську сировину (1). Електроди монтуються безпосередньо в камері біля бокових стінок, подача струму високої напруги здійснюється імпульсами через кілька хвилин після пресування сировини за допомогою рухомої кришки. Час обробки сировини електричним струмом становить лічені частки секунди.
Технологія ліків промислового виробництва / В.І. Чуєшов, Л.М. Хохлова, О.О. Ляпунова та ін.; за ред. В.І. Чуєшова. — Х., 2003.
