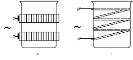
ВИСОКОЧАСТОТНЕ ТИТРУВАННЯ — варіант кондуктометричного титрування, в якому на електроди кондуктометричної комірки подається синусоїдальна напруга високої частоти — 0,5 ч 400 Мгц. Кондуктометричні комірки для В.т. є двох типів: ємнісні (рис. 1а) та індуктивні (рис. 1б), що являють собою посудину з діелектрика місткістю не більше 100 см3. Електроди ємнісної комірки у вигляді металевих пластин або кілець розташовують із зовнішнього боку комірки; індуктивну комірку поміщають у середину котушки індуктивності.

Рисунок. Кондуктометричні комірки для В.т.: ємнісна (а), індуктивна (б)
Таким чином, при В.т. розчин, що аналізують, не має прямого контакту з електродами і має зв’язок із вимірювальним колом через ємність або індуктивність (безконтактна кондуктометрія). У зв’язку з цим електроди кондуктометричної комірки можуть бути виготовлені з будь-якого металу, а не лише з платини, як у низькочастотному титруванні. Високочастотне електромагнітне поле викликає у розчині кондуктометричної комірки релаксаційні та поляризаційні ефекти, проходження крізь нього струму провідності та зміщення, а також появу динамічної намагніченості. Повна електропровідність розчину, що титрується (λ), у такому разі складається з двох величин: активної електропровідності (λа), що зумовлено перенесенням електрики іонами розчину, який титрується, та реактивної електропровідності (λR), що зумовлено ємністю (С) та індуктивністю (L) комірки:
, таким чином,
. Додавання титранту до розчину, що знаходиться у полі високої частоти, призводить до зміни як активної, так і реактивної складових повної високочастотної електропровідності розчину, що титрується. Це зумовлює більшу чутливість В.т. порівняно з низькочастотним, потенціометричним й амперометричним. Ємнісні комірки застосовують при титруванні розчинів із низькою електропровідністю, індуктивні — з високою. Застосовують також комбіновані LС-комірки і багатокільцеві з різною кількістю електродів. За правильно вибраних умов В.т. (тип і конструкція комірки, об’єм розчину, частота струму) криві В.т. являють собою прямолінійні відрізки, що перетинаються у точці еквівалентності.
В.т. може виконуватися як у водних, так і неводних розчинах із використанням усіх типів реакцій (кислотно-основних, заміщення, осадження, комплексоутворення, окисно-відновних) і реалізується у широкому діапазоні концентрацій (3:1·10–5 моль/дм3). Метод знайшов застосування у фармації при аналізі та контролі якості ампульованих ЛП, при аналізі алкалоїдів, антибіотиків тетрациклінового ряду, сульфаніламідів, амінокислот та ін.
Безуглый В.Д., Худякова А.М., Шкодин Л.М. и др. Титриметрические методы анализа неводных растворов. — М., 1986; Заринский В.А., Ермаков В.И. Высокочастотный химический анализ. — М., 1970; Лопатин Б.А. Высокочастотное титрование с многозвенными ячейками. — М., 1980.
